-
Тепловое оборудование
-
Пароконвектоматы
-
Плиты
-
Дегидраторы (сушилки)
-
Грили жаровни / жарочные поверхности
-
Сковороды опрокидываемые
-
Варочные котлы
-
Фритюрницы
-
Варочные аппараты / Макароноварки
-
Мармиты, подогреватели блюд
-
Шкафы жарочные
-
Шкафы пекарские подовые
-
Шкафы расстоечные
-
Печи для пиццы
-
Печи конвейерные
-
Печи микроволновые
-
Грили-мангалы решетчатые (Char-Broil)
-
Грили Саламандра
-
Грили для кур
-
Грили прижимные (Панини)
-
Грили вертикальные (Шаурма)
-
Аппараты для хот-догов
-
Блинное оборудование
-
Кипятильники
-
Диспенсеры горячих напитков
-
Вафельницы
-
Тостеры
-
Коптильни
-
Аппараты пончиковые
-
Попкорн
-
Сахарная вата
-
Рисоварки
-
Тепловые витрины
-
Варочные аппараты Sous-Vide
-
Чебуречницы
-
Печи конвекционные
-
Горячий шоколад и фонтаны
-
Печи ротационные
-
Печи пекарские модульные
-
Тепловые столы
-
Пароварки
-
Аппараты для плавки шоколада
-
Грили галечные
-
- Холодильное оборудование
-
Электромеханическое оборудование
-
Овощерезки и протирки
-
Куттеры и бликсеры
-
Ручные прессы для котлет
-
Кухонные процессоры
-
Миксеры и блендеры погружные
-
Мясорубки
-
Миксеры планетарные
-
Слайсеры
-
Соковыжималки
-
Блендеры
-
Тестораскатки и прессы
-
Тестомесы
-
Овощечистки
-
Измельчители льда
-
Миксеры для молочных коктейлей
-
Хлеборезки
-
Тестозакатывающие машины
-
Наполнители колбас
-
Рыбочистки
-
Измельчители сыра
-
Фаршемешалки
-
Овощемойки
-
Панировочное оборудование
-
Машины глазировочные
-
Тестоделители
-
Измельчители орехов
-
Аппараты котлетные
- Гомогенизаторы
-
Аппараты пельменные
-
Мясорыхлители
-
Массажеры для мяса, маринаторы
-
Пилы для мяса и костей
-
Измельчители специй
- Дозатор-смесители
- Мукопросеиватели
-
Экструдеры для макарон
-
- Посудомоечное оборудование
- Линии раздачи и салат бары
- Кофейное оборудование
-
Нейтральное оборудование
-
Столы кухонные
-
Ванны моечные
-
Рукомойники
-
Вытяжные зонты универсальные
-
Стеллажи
-
Полки
-
Тележки
-
Шкафы
-
Барные модули
-
Подставки для пароконвектоматов
-
Вытяжные зонты для пароконвектоматов и печей
-
Комплектующие для нейтрального оборудования
-
Подтоварники
-
Колоды для рубки
-
Вешала
-
Витрины нейтральные
- Модульные подставки и нейтральные вставки
-
Подставки для плит и тепловых линий
-
-
Инвентарь
-
Кухонный инвентарь
- Гастроемкости и крышки
- Противни
- Решетки
- Кастрюли, сотейники и крышки
- Горелки кулинарные
- Ведра и тазы
- Заточка ножей
- Ножи и ножницы
- Щетки и скребки
- Формы
- Вертелы и шампуры
- Доски разделочные
- Дозаторы
- Емкости для специй
- Лопатки и щипцы
- Сифоны и аксессуары
- Сетки и противни для пиццы
- Совки для картофеля фри
- Емкости для соусов
- Открывалки для банок
- Термосы
- Посуда медная
- Защита
- Контейнеры и лотки
- Половники
- Сковороды
- Овоскопы для яиц
- Терки
- Дуршлаги и миски
- Прочее
- Держатели для ножей
- Окуриватели кулинарные
- Шумовки
- Ложки для мороженого
- Ложки поварские
-
Барный инвентарь
-
Пекарский и кондитерский инвентарь
- Одноразовая посуда
-
- Измерительное оборудование
-
Санитария и гигиена
-
Стерилизаторы ножей
-
Стерилизаторы посуды
-
Дезинфекторы для рук
-
Дезинфекторы одежды и обуви
-
Облучатели и рециркуляторы
-
Санпропускники
-
Профессиональная химия
-
Ловушки для насекомых
-
Контейнеры для мусора
-
Сушилки для рук
-
Водоумягчители и фильтры
-
Сантехника
-
Измельчители отходов
-
Жироуловители
-
Уборочный инвентарь
-
Перчатки стерильные
-
Люминометры
-
Напольные покрытия
-
Полотенца
-
Аппараты для чистки обуви
-
Уличные обогреватели
-
- Упаковочное оборудование
- Ингредиенты
- Прачечное оборудование
- Торговое оборудование
- Обслуживание банкетов
- Для медицинских учреждений
- Библиотека ресторатора
-
Запчасти
- Abat
- Airhot
- Embraco
- Grill Master
- Apach
- Bear Varimixer
- Weiguang
- Coffee Queen
- YZF
- Comenda
- Convito
- Dihr
- Elco
- Electrolux
- Elframo
- Fimar
- Flott
- Gam
- Afinox
- Garland
- Gastrorag
- Gottak
-
Hallde
- Coldline
- Brema
- Hamilton Beach
- Henkelman
- Crazy Pan
- Hicold
- COOLEQ
- Holman
- Hurakan
- Elettrobar
- Convotherm
- Itpizza
- Derby
- Kromo
- Fama
- KT (Koneteollisuus Oy)
- Lincoln
- Metos
- MKN
- Orved
- Polair
- Rada
- Rational
-
Robot Coupe
- Roller Grill
- Sirman
- Smeg
- Starfood
- Starmix
- Tecnoinox
- Indokor
- Unox
- Hobart
- Vema
- Kogast / Kovinastroj
- Wells
- Атлант
- Разное
- Торгмаш (Барановичи)
- KBS
- Торгмаш (Гродно)
- Isa
- Silanos
- Modular
- Kayman
- Jau
- RGV
- Liebherr
- Lavezzini
- Scotsman
- Tefcold
- Lainox
- Sagi
- Tatra
- Sigma
- Tecnosteel
- Winterhalter
- Tecnoeka
- Zanolli
- Компрессоры
- Контроллеры
- Аксессуары для оборудования
-
Посуда и столовые приборы
- Посуда пластиковая
-
Посуда керамическая
-
Посуда из валлийского сланца
-
Посуда фарфоровая
-
Блюда и подносы для подачи, корзины для хлеба
-
Жаропрочный фарфор
-
Посуда из стали, меди и алюминия
-
Заварочные чайники
-
Барное стекло и хрусталь
-
Стеклянная посуда
-
Столовые приборы
-
Ведра и подставки
-
Доски для подачи
-
Емкости и мельницы для специй
-
Подносы и станции буфетные
-
Посуда из дерева
-
Емкости с охлаждающим элементом
-
Подносы официантские
Будьте в курсе!
Узнавайте обо всем первым
Новости
Все новости
26 июня 2025
Сервисный тренинг Winterhalter
27 мая 2025
Заливные льдогенераторы Cooleq - Новинка!
24 апреля 2025
Сервисный тренинг MKN
11 апреля 2025
Новые расстойки от Unox
Стержень с втулкой Hallde 37226
Стержень с втулкой Hallde 37226
Стержень с втулкой Hallde 37226
Подробнее
- Описание
- Характеристики
- Инструкции и руководства (7)
- Отзывы
- Задать вопрос
-
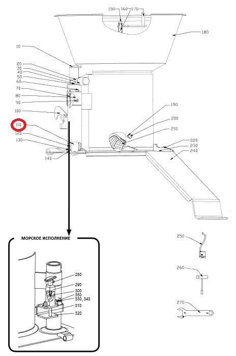
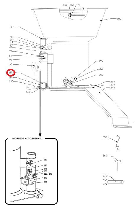
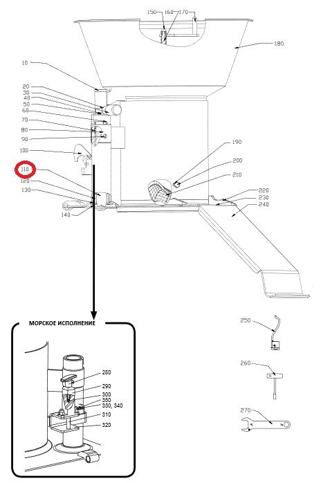
Стержень с втулкой Hallde 37226
Для бункера непрерывной подачи HALLDE 37091
-
Страна Швеция В наличии Нет Модель 37226 Артикул пр-ля 37226 -
Вы можете задать любой интересующий вас вопрос по товару или работе магазина.
Наши квалифицированные специалисты обязательно вам помогут.


















































































