Будьте в курсе!
Узнавайте обо всем первым
Новости
Все новости
26 июня 2025
Сервисный тренинг Winterhalter
27 мая 2025
Заливные льдогенераторы Cooleq - Новинка!
24 апреля 2025
Сервисный тренинг MKN
11 апреля 2025
Новые расстойки от Unox
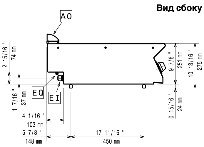
Плита Electrolux E7IRED2000 (371024) электрическая
Ваш город:
Стоимость доставки бесплатно
- Описание
- Характеристики
- Инструкции и руководства (1)
- Отзывы
- Задать вопрос
-
NULL
-
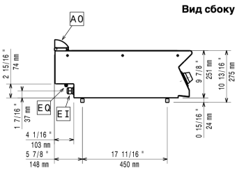
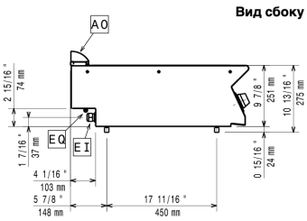
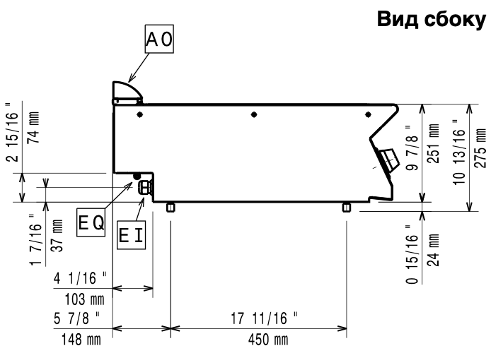
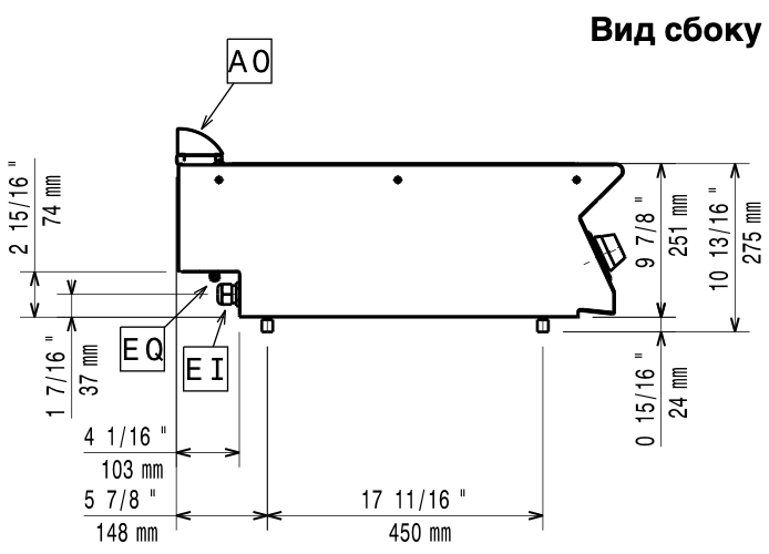
Страна Италия Парообразование нет Кол-во режимов 9 Напряжение, В. 380 Мощность, кВт/ч. 4,4 В наличии Нет Модель E7IRED2000 Серия 700XP Длина, мм 400 Ширина, мм 730 Высота, мм. 275 Вес, кг 22 Управление электромеханическое Артикул пр-ля 371024 Кол-во рабочих зон 2 Тип установки на подставку Наличие шкафа опционально Рабочая поверхность сплошная поверхность Материал рабочей поверхности стеклокерамика Конвекция нет Материал корпуса н.сталь Диаметр конфорок, мм. 230 -
Вы можете задать любой интересующий вас вопрос по товару или работе магазина.
Наши квалифицированные специалисты обязательно вам помогут.































































































































































































































